Sensor potencia y energía láser MLP-10-BB-D25

Sensor potencia y energía láser MLP-10-BB-D25

MLP-10-BB-D25
Sensores potencia y energía
Laserpoint
Características

- medida de potencia: 2 mW - 10 W
- medida de energía: 50 mJ - 10 J
- conexión a medidor externo, por USB o por RS-232
ProCareLight es el distribuidor oficial de LaserPoint en España y Portugal

Sensor - cabezal y medidor de potencia láser y energía de pulsos únicos: 2 mW - 10 W

Medida de energía: 50 mJ - 10 J

Sensor térmico - termopila con absoredor de volumen para láseres pulsados MLP-10-BB-D25

 

(Casi) todos nuestros cabezales para medida de potencia ý energía láser están disponibles en tres conectividades (una sola por sensor):
- a un medidor de potencia y energía láser externo: MLP-Plus-2
- directa a ordenador o controlador por USB
- directa a ordenador o controlador por RS-232

 

Son ideales para uso en laboratorio (investigación, I+D), línea de producción o incluso integración en máquina.

Pregunte igualmente por sensores OEM para integración industrial en su máquina o sistema con láser.

 

Este sensor láser es una solución económica y rentable para la medida de potencia y energía. También disponemos de otras opciones de medidores láser de bajo coste.

 

Especificaciones completas del sensor-medidor de potencia y energía láser MLP-10-BB-D25:

Power Mode

Max. Average Power

10 W

Max. Average Power (1)

15 W

Min. Power

2 mW

Power Resolution

100 µW

Noise Equivalent Power (NEP)

100 µW

Response Time (0-90%)

3 sec

Power Calibration Uncertainty

± 3%

Power Linearity (2)

± 1%

Single Shot Energy Mode

Max. Energy (with 100 ms pulse)

10 J

Min. Energy

50 mJ

Energy Resolution

0.1 mJ

Energy Calibration Uncertainty

± 5%

Absorber Specs

Aperture

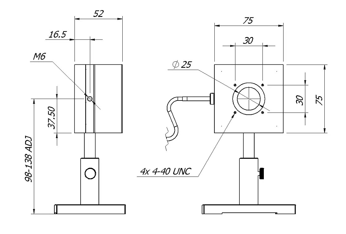
25 mm

Type

BB

Absorber Spectral Range

0.4 - 5.2 µm

Calibration Spectral Range

0.4 - 5.2 µm

Max Power Density (3)

35 W/cm²

Max Energy Density (3)

Single Pulse: (a)

10ms pulse width: 13 J/cm²

<10µs pulse width: 10 J/cm²

General Characteristics

Cooling

Convection

Weight

0.5 kg

Dimension

75 x 75 x 52 mm

Cable length - connector

1.5 m - DB15

2.5 m – USB (U option)

1.5 m - RS232 (R option)

Stand and Post

Light Duty Stand

Notes

(1). 2 minutes max

(2). Detector centrally irradiated @50% of useful surface.

(3). Damage thresholds also depend on power level. Please see damage graphs for more details.

Available with fiber adapter

(a). For repeated pulses, please see volume absorber damage graphs.

 

 

Nuestras categorías en medida de potencia y energía láser:
- cabezales sensores
- sensores ultrarrápidos Blink
- medidores
- sondas de mano
- muy alta potencia hasta 40 KW

 

Todos estos productos tienen 3 años de garantía.
En PCL somos los distribuidores autorizados de LaserPoint en España y Portugal.

 

Si trabaja con láseres no olvide consultar nuestras secciones:
- productos de protección láser: gafas, ventanas, barreras, cortinas, cabinas, ropa
- asesoría y adicionalmente formación en seguridad láser
- medida de potencia y energía láser
- análisis del perfil del haz láser

 

Más información: ventas@procarelight.com / +34 605 024 420

Productos relacionados